Jiangsu Gongtang Chemical Equipments Co., Ltd. Jiangsu Gongtang
  • 
  • หน้าแรก
  • เกี่ยวกับเรา+
    • ข้อมูลบริษัท
    • เยี่ยมชมโรงงาน
    • เอกสารรับรอง
    • งานแสดงสินค้า
  • ผลิตภัณฑ์+
  • บริการและการสนับสนุน
  • อุตสาหกรรม
  • กรณีศึกษา
  • ติดต่อเรา
  • วิดีโอ
  • หน้าแรก
  • ผลิตภัณฑ์
  • ถังเก็บเคลือบแก้ว
  • ถังเก็บเคลือบแก้วแนวนอน
ถังเก็บเคลือบแก้วแนวนอน
  • ถังเก็บเคลือบแก้วแนวนอน
    ถังเก็บเคลือบแก้วแนวนอนพร้อมแท่นปฏิบัติงาน ราวกันตก และบันได
  • ถังเก็บเคลือบแก้วแนวนอน
    ถังเก็บเคลือบแก้วแนวนอนแบบช่องเปิดด้านข้างขนาดใหญ่ พร้อมแจ็คเก็ตแบบครึ่งท่อ
  • ถังเก็บเคลือบแก้วแนวนอน
    ถังเก็บเคลือบแก้วแนวนอนพร้อมตัวระเหยให้ความร้อน
  • ถังเก็บเคลือบแก้วแนวนอน
    ถังเก็บเคลือบแก้วแนวนอนขนาด 10,000 ลิตร
  • ถังเก็บเคลือบแก้วแนวนอน
    ถังเก็บเคลือบแก้วพร้อมราวกันตก

ถังเก็บเคลือบแก้วแนวนอน

ถังเก็บทนการกัดกร่อนสำหรับเก็บสารที่มีฤทธิ์รุนแรงหรือสารที่ไวต่อสภาวะแวดล้อม

อุตสาหกรรมเคมี อุตสาหกรรมยา และอุตสาหกรรมปิโตรเคมี มักต้องจัดการกับสารที่มีฤทธิ์กัดกร่อนสูง ซึ่งสามารถทำให้อุปกรณ์เสื่อมสภาพลงตามเวลาได้อย่างรวดเร็ว ทำให้ความทนการกัดกร่อนเป็นปัจจัยสำคัญอันดับต้น ๆ ในการออกแบบและเลือกวัสดุสำหรับผลิตถังหรือภาชนะบรรจุ ดังนั้นการเลือกวัสดุที่เหมาะสมจึงไม่เพียงกำหนดอายุการใช้งานของถังเก็บเท่านั้น แต่ยังส่งผลต่อคุณภาพของผลิตภัณฑ์ และในบางกรณีอาจส่งผลต่อผลลัพธ์ของปฏิกิริยาเคมีโดยตรงอีกด้วย

ขอใบเสนอราคา

ถังเก็บเคลือบแก้วแนวนอนถูกออกแบบมาเพื่อรองรับสภาวะการใช้งานที่เข้มข้นในกระบวนการที่ต้องเก็บสารกัดกร่อน ตัวถังผลิตจากเหล็กคาร์บอนเพื่อให้ความแข็งแรงทางโครงสร้างเหมาะสำหรับงานอุตสาหกรรม ภายในเคลือบด้วยชั้นเคลือบแก้วที่ผ่านการหลอมติดกับผิวเหล็กที่อุณหภูมิสูง ทำให้ได้พื้นผิวที่เรียบ ลื่น และมีเสถียรภาพทางเคมี การเคลือบนี้ช่วยป้องกันไม่ให้สารที่เก็บอยู่สัมผัสกับผิวโลหะโดยตรง ช่วยลดความเสี่ยงการปนเปื้อน และช่วยยืดอายุการใช้งานของอุปกรณ์ เมื่อผสานความแข็งแรงของเหล็กเข้ากับความทนการกัดกร่อนของแก้ว ถังเก็บชนิดนี้จึงสามารถจัดเก็บสารเคมีที่มีฤทธิ์รุนแรงได้อย่างปลอดภัย พร้อมคงประสิทธิภาพการทำงานในระยะยาว

ถังรุ่นนี้มีขนาดให้เลือกตั้งแต่ 50 ลิตร ไปจนถึง 200,000 ลิตร รองรับความดันออกแบบสูงสุด 0.6 MPa และสามารถจัดเก็บสารได้ในช่วงอุณหภูมิ 0–150 °C ซึ่งครอบคลุมความต้องการของกระบวนการเคมีส่วนใหญ่ ด้วยคุณสมบัติด้านความแข็งแรง ความทนการกัดกร่อน และความยืดหยุ่นในการใช้งาน ถังเก็บเคลือบแก้วแนวนอนจึงเป็นตัวเลือกที่เชื่อถือได้สำหรับการใช้งานในอุตสาหกรรมระยะยาว

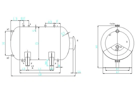
ภาพวาดมิติ
ภาพวาดมิติ
ภาพวาดมิติ
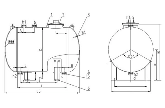
หมายเหตุ:
  • 1. ตัวถัง
  • 2. แมนโฮลเคลือบแก้ว
  • 3. หัวรี
  • 4. โนซเซิลเคลือบแก้วชนิด A
  • 5. หน้าแปลนแบบแยกประกบ
  • 6. แท่นรองแบบอานม้า
ขนาดถังเก็บแนวนอนเคลือบแก้ว ความจุ 3000–12500 ลิตร (mm)
ปริมาตรสุทธิที่กำหนด VN/L L0 L1 L2 L3 L4 H1 H A1 K1 A2 B E F A3
3000 2710 900 310 403 250 1760 1000 1350 1120 200 100 490 100 570
4000 3310 1500 310 403 250 1760 1000 1350 1120 200 100 490 120 550
5000 3265 1240 480 440 250 2080 1200 1430 1180 350 150 300 150 300
6300 4060 1740 580 440 250 1980 1200 1430 1180 350 150 600 150 600
10000 4080 1820 415 550 160 2340 1300 1780 1490 250 150 950 150 950
12500 4800 2740 470 649 260 2340 1300 1780 1490 250 150 950 150 950
ขนาดของช่องต่อ (mm)
ปริมาตรพิกัด L ปริมาตรจริง L เส้นผ่านศูนย์กลาง ตัวถังความหนาหัวถัง S1 ท่อ (DN) ขนาดพิกัดของความยาวเกจวัดระดับของเหลว × จำนวน
ความหนาผนังถัง s ความยาว L ท่อสำรอง a ท่อสำรอง b ท่อสำรอง c ท่อทางออก d เกจวัดระดับ e1, e2 ท่อทางเข้า f ท่อทางออก h ท่อกระบวนการ g
3000 3490 1450 14 1550 14 65 125 65 65 65 65 65 600 1000×1
4000 4500 1450 14 2150 14 65 125 65 65 65 65 65 600 1000×1
5000 5680 1600 16 2200 16 100 80 80 65 65 80 80 600 1200×1
6300 7100 1600 16 2900 16 100 65 65 65 65 80 80 600 1200×1
10000 10860 2000 20 2700 20 100 100 150 100 65 100 100 800 1300×1
12500 13921 2000 20 3680 20 100 100 150 100 65 100 100 800 1300×1
ขนาดถังเก็บเคลือบแก้วแนวนอน ปริมาตร 16,000–80,000 ลิตร
ปริมาตรนามบัญญัติ VN/L ปริมาตรจริง V/L เส้นผ่านศูนย์กลาง D ตัวถังความหนาหัวถัง S1 เส้นผ่านศูนย์กลางนามบัญญัติของท่อ DN L0 L L1 L2 H0 H1
ความหนาผนัง S ความยาว L ท่อทางเข้า b ท่อสำรอง d
16000 17756 2200 20 3840 20 150 150 5080 2840 450 142 2900 1470
20000 22330 2400 22 4030 22 150 150 5374 2930 500 140 3110 1572
25000 27790 2800 24 3480 24 150 150 5028 2280 600 238 3510 1774
30000 33300 3000 26 3630 26 150 150 5282 2370 630 236 3720 1876
40000 44000 3200 28 4300 28 200 200 6060 2800 650 234 3900 1978
50000 55000 3400 30 4830 30 200 200 6690 3230 700 232 4100 2080
63000 69000 3600 32 5480 32 200 200 7440 3780 750 230 4300 2182
80000 88000 3800 34 6390 34 200 200 8460 4590 800 228 4500 2284

เรายังมีอุปกรณ์เสริมสำหรับอุปกรณ์เคลือบแก้ว

ต้องการการสนับสนุนด้านเทคนิคสำหรับอุปกรณ์เคลือบแก้วหรือไม่

วิศวกรของเราพร้อมให้คำแนะนำเชิงผู้เชี่ยวชาญเกี่ยวกับเครื่องปฏิกรณ์เคลือบแก้ว ถังเคลือบแก้ว และอุปกรณ์กระบวนการที่ปรับแต่งได้สำหรับงานด้านเคมี เภสัชกรรม และอุตสาหกรรมทั่วไป

  • ผลิตภัณฑ์เกี่ยวข้อง
  • สินค้าอื่น
ถังเก็บเคลือบแก้วแนวตั้งชนิดเปิด
ถังเก็บเคลือบแก้วแนวตั้งชนิดเปิด
ถังเก็บเคลือบแก้วแนวตั้งชนิดปิด
ถังเก็บเคลือบแก้วแนวตั้งชนิดปิด
ถังเก็บเคลือบแก้วแนวนอน
ถังเก็บเคลือบแก้วแนวนอน
คอลัมน์เคลือบแก้ว
คอลัมน์เคลือบแก้ว
เครื่องแลกเปลี่ยนความร้อนเคลือบแก้ว
เครื่องแลกเปลี่ยนความร้อนเคลือบแก้ว
เครื่องอบแห้งทรงกรวยคู่เคลือบแก้ว
เครื่องอบแห้งทรงกรวยคู่เคลือบแก้ว
ดูเพิ่มเติม

อะไรคือวัตถุที่ถังเก็บเคลือบแก้วสามารถรองรับและไม่รองรับ?

ถังเก็บเคลือบแก้วสามารถทนต่อการกัดกร่อนของกรดอนินทรีย์ กรดอินทรีย์ ตัวทำละลายอินทรีย์ และด่างอ่อนในความเข้มข้นต่าง ๆ ได้ดี แต่สำหรับเก็บด่างแก่ กรดไฮโดรฟลูออริก สื่อที่มีฟลูออไรด์ หรือกรดฟอสฟอริกที่มีความเข้มข้นเกิน 30% ที่อุณหภูมิสูงกว่า 180 °Cไม่เหมาะสม

ประเภทของถังเก็บเคลือบแก้วและการรองรับการสั่งผลิตเฉพาะมีอะไรบ้าง?

ถังเก็บเคลือบแก้วที่มีให้เลือก ได้แก่ ถังแนวนอน ถังแนวตั้งชนิดเปิด และถังแนวตั้งชนิดปิด โดยมีหลายขนาดให้เลือก นอกจากนี้ยังสามารถออกแบบและผลิตอุปกรณ์แบบสั่งผลิตเฉพาะ เพื่อให้ตรงตามความต้องการของโครงการได้

วัสดุที่ใช้ในถังเก็บเคลือบแก้วแนวตั้งชนิดเปิดคืออะไร?

ถังเก็บเหล่านี้ทำจากเหล็กซึ่งบุด้วยกระจกภายใน เหล็กให้ความแข็งแรงและความมั่นคง ส่วนกระจกช่วยเพิ่มความต้านทานการกัดกร่อน ผิวกระจกเรียบ ทำให้คงความคงตัวทางเคมี ทนความร้อนได้ระดับหนึ่ง และทำความสะอาดง่าย

จะประเมินคุณภาพภายนอกและภายในของถังเก็บเคลือบแก้วแนวตั้งได้อย่างไร?

คุณภาพภายนอกประเมินโดยการตรวจสอบด้วยสายตาและใช้อุปกรณ์ทดสอบเพื่อตรวจหาข้อบกพร่องบนผิว คุณภาพภายในขึ้นอยู่กับปัจจัยการผลิต เช่น การขึ้นรูปที่ถูกต้อง การเชื่อม และการเคลือบผิว รวมถึงการควบคุมคุณภาพอย่างเข้มงวดในทุกขั้นตอนของการผลิต

ตัวเลือกสำหรับถังเก็บเคลือบแก้วแนวนอนมีอะไรบ้าง?

มีตัวเลือกหลายแบบให้เลือก ได้แก่ บางรุ่นมีฝาข้างขนาดใหญ่ พร้อมแจ็กเก็ตครึ่งท่อ และสามารถติดตั้งแพลตฟอร์ม ราวจับ และบันไดเพื่อความสะดวกในการเข้าถึง บางรุ่นมาพร้อมเครื่องระเหยแบบให้ความร้อน เหมาะสำหรับงานที่ต้องการควบคุมอุณหภูมิ

Jiangsu Gongtang Chemical Equipments Co., Ltd. Jiangsu Gongtang
ผู้ผลิตอุปกรณ์เคลือบแก้ว
เมนูลัด
  • เกี่ยวกับเรา
  • เยี่ยมชมโรงงาน
  • เอกสารรับรอง
  • งานแสดงสินค้า
  • บริการและการสนับสนุน
  • กรณีโครงการ
  • วิดีโอ
ผลิตภัณฑ์
  • เครื่องปฏิกรณ์เคลือบแก้ว
  • ถังเก็บเคลือบแก้ว
  • คอลัมน์เคลือบแก้ว
  • เครื่องแลกเปลี่ยนความร้อนเคลือบแก้ว
  • เครื่องอบแห้งทรงกรวยคู่เคลือบแก้ว
  • อุปกรณ์เสริม
  • ระบบกระบวนการแบบครบวงจร
ติดต่อเรา
chrisz.jsjjgt@outlook.com
+86-523-89110022
+86-15861003636