Jiangsu Gongtang Chemical Equipments Co., Ltd. Jiangsu Gongtang
  • 
  • หน้าแรก
  • เกี่ยวกับเรา+
    • ข้อมูลบริษัท
    • เยี่ยมชมโรงงาน
    • เอกสารรับรอง
    • งานแสดงสินค้า
  • ผลิตภัณฑ์+
  • บริการและการสนับสนุน
  • อุตสาหกรรม
  • กรณีศึกษา
  • ติดต่อเรา
  • วิดีโอ
  • หน้าแรก
  • ผลิตภัณฑ์
  • ถังเก็บเคลือบแก้ว
  • ถังเก็บเคลือบแก้วแนวตั้งชนิดเปิด
ถังเก็บเคลือบแก้วแนวตั้งชนิดเปิด
  • ถังเก็บเคลือบแก้วแนวตั้งชนิดเปิด
    ถังเก็บเคลือบแก้วแบบฝาเรียบสั่งผลิตเฉพาะ
  • ถังเก็บเคลือบแก้วแนวตั้งชนิดเปิด
    ถังเก็บเคลือบแก้วชนิดเปิดพร้อมมาตรวัดระดับของเหลว
  • ถังเก็บเคลือบแก้วแนวตั้งชนิดเปิด
    ถังเก็บเคลือบแก้วพร้อมฐานรองและข้อต่อเร็ว
  • ถังเก็บเคลือบแก้วแนวตั้งชนิดเปิด
    ถังเก็บเคลือบแก้วขนาดเล็กสำหรับงานทดลองชนิดเปิด พร้อมขาและขอบกันน้ำ

ถังเก็บเคลือบแก้วแนวตั้งชนิดเปิด

ถังเก็บทนการกัดกร่อนพร้อมฝาบนถอดได้

ถังเก็บแนวตั้งชนิดเปิดติดตั้งฟลานจ์คอเชื่อมที่ตรงกับเส้นผ่านศูนย์กลางของถัง ออกแบบสำหรับความดันใช้งานสูงสุด 0.6 MPa มีความจุตั้งแต่ 50 ลิตร ถึง 200,000 ลิตร และสามารถใช้งานในช่วงอุณหภูมิกลาง 0–150 °C

ขอใบเสนอราคา

ถังเก็บทนการกัดกร่อนเหล่านี้รวมความแข็งแรงของเหล็กกับการป้องกันของผิวเคลือบแก้ว ผิวด้านในเรียบช่วยรักษาคุณภาพของวัสดุที่เก็บ ป้องกันการปนเปื้อนจากไอออนของโลหะ และมั่นใจได้ถึงความคงตัวทางเคมีและความร้อน นอกจากนี้ถังยังทำความสะอาดและบำรุงรักษาได้ง่าย

ถังประเภทนี้นิยมใช้ในอุตสาหกรรมน้ำมัน เคมี ภัณฑ์ฆ่าแมลง พลาสติก อาหาร สี เส้นใยสังเคราะห์ และยางสังเคราะห์ ให้ประสิทธิภาพเชื่อถือได้และมีอายุการใช้งานยาวนานสำหรับการใช้งานหลากหลาย

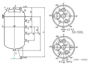
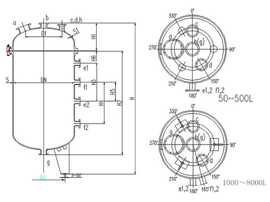
ภาพวาดมิติ
ภาพวาดมิติ
ขนาดของถังเก็บเคลือบแก้วชนิดเปิด
ปริมาตร (L) DN D1 D2 D3 H H1 H2 H3 H4 S H5 H6
50 500 350 20 370 835 270 465 / 160 8 / /
100 500 350 20 370 1020 265 655 / 160 8 / /
200 600 360 20 420 1615 300 965 450 150 8 / /
300 700 420 25 490 1567 345 1070 500 205 10 / /
500 800 480 25 560 1950 385 1370 800 160 10 / /
1000 1000 600 25 700 2450 430 1770 1000 200 12 / /
1500 1300 780 30 950 2410 505 1625 800 170 14 / /
2000 1300 780 25 950 2654 505 1970 1200 200 14 / /
3000 1600 960 30 1200 2565 585 1815 1000 190 16 / /
4000 1600 960 30 1200 3065 585 2315 1500 190 16 / /
5000 1600 960 30 1200 3756 585 2784 1200 189 16 450 120
6300 1750 1200 30 1250 3625 625 2800 1200 190 18 450 120
8000 2000 1400 36 1500 3935 700 3020 1200 200 20 450 120
ขนาดของช่องต่อ (mm)
ปริมาตร (L)  S S1 S2 a b c d e1.2 f1.2 g h
50 8 8 10 80 65 65 65 / / 65 /
100 8 8 10 80 65 65 65 65 / 65 /
200 8 8 10 125 65 65 65 65 / 65 /
300 10 10 10 125 80 65 65 65 / 80 /
500 10 10 10 150 80 80 65 65 / 80 /
1000 12 12 12 150 80 80 80 65 / 80 /
1500 14 14 12 200 100 80 80 65 / 100 80
2000 14 14 12 300×400 100 80 80 65 / 100 80
3000 16 16 12 300×400 100 80 80 65 / 100 80
4000 16 16 12 300×400 100 80 80 65 / 100 80
5000 16 16 12 300×400 125 100 100 65 65 125 100
6300 18 18 20 300×400 125 100 100 65 65 125 100
8000 20 20 20 300×400 125 100 100 65 65 125 125

เรายังมีอุปกรณ์เสริมสำหรับอุปกรณ์เคลือบแก้ว

ต้องการการสนับสนุนด้านเทคนิคสำหรับอุปกรณ์เคลือบแก้วหรือไม่

วิศวกรของเราพร้อมให้คำแนะนำเชิงผู้เชี่ยวชาญเกี่ยวกับเครื่องปฏิกรณ์เคลือบแก้ว ถังเคลือบแก้ว และอุปกรณ์กระบวนการที่ปรับแต่งได้สำหรับงานด้านเคมี เภสัชกรรม และอุตสาหกรรมทั่วไป

  • ผลิตภัณฑ์เกี่ยวข้อง
  • สินค้าอื่น
ถังเก็บเคลือบแก้วแนวตั้งชนิดเปิด
ถังเก็บเคลือบแก้วแนวตั้งชนิดเปิด
ถังเก็บเคลือบแก้วแนวตั้งชนิดปิด
ถังเก็บเคลือบแก้วแนวตั้งชนิดปิด
ถังเก็บเคลือบแก้วแนวนอน
ถังเก็บเคลือบแก้วแนวนอน
คอลัมน์เคลือบแก้ว
คอลัมน์เคลือบแก้ว
เครื่องแลกเปลี่ยนความร้อนเคลือบแก้ว
เครื่องแลกเปลี่ยนความร้อนเคลือบแก้ว
เครื่องอบแห้งทรงกรวยคู่เคลือบแก้ว
เครื่องอบแห้งทรงกรวยคู่เคลือบแก้ว
ดูเพิ่มเติม

อะไรคือวัตถุที่ถังเก็บเคลือบแก้วสามารถรองรับและไม่รองรับ?

ถังเก็บเคลือบแก้วสามารถทนต่อการกัดกร่อนของกรดอนินทรีย์ กรดอินทรีย์ ตัวทำละลายอินทรีย์ และด่างอ่อนในความเข้มข้นต่าง ๆ ได้ดี แต่สำหรับเก็บด่างแก่ กรดไฮโดรฟลูออริก สื่อที่มีฟลูออไรด์ หรือกรดฟอสฟอริกที่มีความเข้มข้นเกิน 30% ที่อุณหภูมิสูงกว่า 180 °Cไม่เหมาะสม

ประเภทของถังเก็บเคลือบแก้วและการรองรับการสั่งผลิตเฉพาะมีอะไรบ้าง?

ถังเก็บเคลือบแก้วที่มีให้เลือก ได้แก่ ถังแนวนอน ถังแนวตั้งชนิดเปิด และถังแนวตั้งชนิดปิด โดยมีหลายขนาดให้เลือก นอกจากนี้ยังสามารถออกแบบและผลิตอุปกรณ์แบบสั่งผลิตเฉพาะ เพื่อให้ตรงตามความต้องการของโครงการได้

วัสดุที่ใช้ในถังเก็บเคลือบแก้วแนวตั้งชนิดเปิดคืออะไร?

ถังเก็บเหล่านี้ทำจากเหล็กซึ่งบุด้วยกระจกภายใน เหล็กให้ความแข็งแรงและความมั่นคง ส่วนกระจกช่วยเพิ่มความต้านทานการกัดกร่อน ผิวกระจกเรียบ ทำให้คงความคงตัวทางเคมี ทนความร้อนได้ระดับหนึ่ง และทำความสะอาดง่าย

จะประเมินคุณภาพภายนอกและภายในของถังเก็บเคลือบแก้วแนวตั้งได้อย่างไร?

คุณภาพภายนอกประเมินโดยการตรวจสอบด้วยสายตาและใช้อุปกรณ์ทดสอบเพื่อตรวจหาข้อบกพร่องบนผิว คุณภาพภายในขึ้นอยู่กับปัจจัยการผลิต เช่น การขึ้นรูปที่ถูกต้อง การเชื่อม และการเคลือบผิว รวมถึงการควบคุมคุณภาพอย่างเข้มงวดในทุกขั้นตอนของการผลิต

ตัวเลือกสำหรับถังเก็บเคลือบแก้วแนวนอนมีอะไรบ้าง?

มีตัวเลือกหลายแบบให้เลือก ได้แก่ บางรุ่นมีฝาข้างขนาดใหญ่ พร้อมแจ็กเก็ตครึ่งท่อ และสามารถติดตั้งแพลตฟอร์ม ราวจับ และบันไดเพื่อความสะดวกในการเข้าถึง บางรุ่นมาพร้อมเครื่องระเหยแบบให้ความร้อน เหมาะสำหรับงานที่ต้องการควบคุมอุณหภูมิ

Jiangsu Gongtang Chemical Equipments Co., Ltd. Jiangsu Gongtang
ผู้ผลิตอุปกรณ์เคลือบแก้ว
เมนูลัด
  • เกี่ยวกับเรา
  • เยี่ยมชมโรงงาน
  • เอกสารรับรอง
  • งานแสดงสินค้า
  • บริการและการสนับสนุน
  • กรณีโครงการ
  • วิดีโอ
ผลิตภัณฑ์
  • เครื่องปฏิกรณ์เคลือบแก้ว
  • ถังเก็บเคลือบแก้ว
  • คอลัมน์เคลือบแก้ว
  • เครื่องแลกเปลี่ยนความร้อนเคลือบแก้ว
  • เครื่องอบแห้งทรงกรวยคู่เคลือบแก้ว
  • อุปกรณ์เสริม
  • ระบบกระบวนการแบบครบวงจร
ติดต่อเรา
chrisz.jsjjgt@outlook.com
+86-523-89110022
+86-15861003636