Jiangsu Gongtang Chemical Equipments Co., Ltd. Jiangsu Gongtang
  • 
  • หน้าแรก
  • เกี่ยวกับเรา+
    • ข้อมูลบริษัท
    • เยี่ยมชมโรงงาน
    • เอกสารรับรอง
    • งานแสดงสินค้า
  • ผลิตภัณฑ์+
  • บริการและการสนับสนุน
  • อุตสาหกรรม
  • กรณีศึกษา
  • ติดต่อเรา
  • วิดีโอ
  • หน้าแรก
  • ผลิตภัณฑ์
  • ถังเก็บเคลือบแก้ว
  • ถังเก็บเคลือบแก้วแนวตั้งชนิดปิด
ถังเก็บเคลือบแก้วแนวตั้งชนิดปิด
  • ถังเก็บเคลือบแก้วแนวตั้งชนิดปิด
  • ถังเก็บเคลือบแก้วแนวตั้งชนิดปิด
    ถังเก็บเคลือบแก้วพร้อมขาเสริมความสูง
  • ถังเก็บเคลือบแก้วแนวตั้งชนิดปิด
    ถังเก็บเคลือบแก้วขนาดใหญ่ 120,000 ลิตรพร้อมราวกันตก

ถังเก็บเคลือบแก้วแนวตั้งชนิดปิด

ถังเก็บทนการกัดกร่อนพร้อมฝาถูกเชื่อมติดกับตัวถังอย่างถาวร

ถังเก็บเคลือบแก้วแนวตั้งชนิดปิดมีความจุตั้งแต่ 50 ลิตร ถึง 200,000 ลิตร และสามารถผลิตแบบสั่งทำพิเศษเพื่อตรงตามความต้องการเฉพาะของโครงการได้

ขอใบเสนอราคา

ประสิทธิภาพโดยรวมของถังเก็บเหล่านี้ขึ้นอยู่กับคุณภาพทั้งภายนอกและภายใน คุณภาพภายนอกประเมินโดยการตรวจสอบด้วยสายตาและอุปกรณ์ทดสอบ คุณภาพภายในขึ้นอยู่กับความแม่นยำในการขึ้นรูป การเชื่อม และการเคลือบผิว รวมถึงการควบคุมอย่างเข้มงวดในทุกขั้นตอนของการผลิต

ถังเหล่านี้ใช้เคลือบแก้วคุณภาพสูง ทำให้ทนทาน รวมความแข็งแรงของเหล็กกับคุณสมบัติการป้องกันของกระจก การควบคุมคุณภาพอย่างรอบคอบในทุกขั้นตอนช่วยให้คุณภาพสม่ำเสมอและยืดอายุการใช้งาน

ข้อบกพร่องไม่ว่าจะมองเห็นด้วยตาเปล่าหรือระดับจุลภาค อาจเกิดขึ้นระหว่างการขนส่ง การเก็บรักษา หรือการใช้งาน ซึ่งอาจทำให้อุปกรณ์เสียหาย ความน่าเชื่อถือของถังขึ้นอยู่กับการควบคุมทุกขั้นตอนของการผลิต ไม่ว่าจะเป็นการขึ้นรูป การเชื่อม หรือการเคลือบผิว

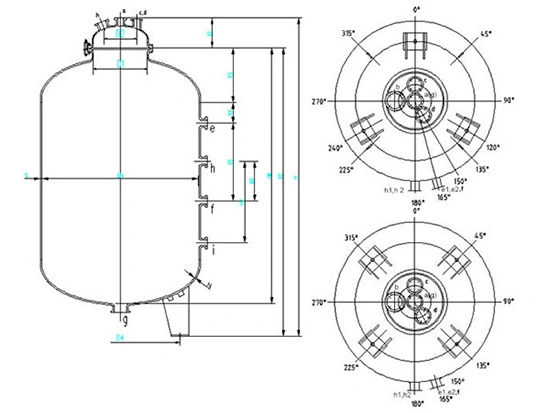
ภาพวาดมิติ
ภาพวาดมิติ
ขนาดถังเก็บเคลือบแก้วชนิดปิด
ความจุ VN/L DND1D2D3D4HH1H2H3H4H5H6H7H8S
30001600600420301200274030024225501151000//222016
500016006004203012003720305340052013012004601200316016
630017506004203012253924310360458013012004241200330418
800020007004903615003880340352063015011005001100328020
1000022007004903615204053340370369215012006001200339220
2000026007004903618205540340520066515018006001800460524
3000028007004903619606090340575071015018006001800551026
4000032008004803624006870386647496515022005002200612528
5000034008004803627207500386712497515026005702600663032
ขนาดของช่องต่อ (mm)
ความจุ VN/La bcde1-2h1-2g
30001256565656565125
50001256565656565125
63001256565656565125
80001258065658080125
100001258065658080125
20000300×400100100125100100125
30000300×400100100125125125125
40000125150100100125125200
50000125150100100125125200

เรายังมีอุปกรณ์เสริมสำหรับอุปกรณ์เคลือบแก้ว

ต้องการการสนับสนุนด้านเทคนิคสำหรับอุปกรณ์เคลือบแก้วหรือไม่

วิศวกรของเราพร้อมให้คำแนะนำเชิงผู้เชี่ยวชาญเกี่ยวกับเครื่องปฏิกรณ์เคลือบแก้ว ถังเคลือบแก้ว และอุปกรณ์กระบวนการที่ปรับแต่งได้สำหรับงานด้านเคมี เภสัชกรรม และอุตสาหกรรมทั่วไป

  • ผลิตภัณฑ์เกี่ยวข้อง
  • สินค้าอื่น
ถังเก็บเคลือบแก้วแนวตั้งชนิดเปิด
ถังเก็บเคลือบแก้วแนวตั้งชนิดเปิด
ถังเก็บเคลือบแก้วแนวตั้งชนิดปิด
ถังเก็บเคลือบแก้วแนวตั้งชนิดปิด
ถังเก็บเคลือบแก้วแนวนอน
ถังเก็บเคลือบแก้วแนวนอน
คอลัมน์เคลือบแก้ว
คอลัมน์เคลือบแก้ว
เครื่องแลกเปลี่ยนความร้อนเคลือบแก้ว
เครื่องแลกเปลี่ยนความร้อนเคลือบแก้ว
เครื่องอบแห้งทรงกรวยคู่เคลือบแก้ว
เครื่องอบแห้งทรงกรวยคู่เคลือบแก้ว
ดูเพิ่มเติม

อะไรคือวัตถุที่ถังเก็บเคลือบแก้วสามารถรองรับและไม่รองรับ?

ถังเก็บเคลือบแก้วสามารถทนต่อการกัดกร่อนของกรดอนินทรีย์ กรดอินทรีย์ ตัวทำละลายอินทรีย์ และด่างอ่อนในความเข้มข้นต่าง ๆ ได้ดี แต่สำหรับเก็บด่างแก่ กรดไฮโดรฟลูออริก สื่อที่มีฟลูออไรด์ หรือกรดฟอสฟอริกที่มีความเข้มข้นเกิน 30% ที่อุณหภูมิสูงกว่า 180 °Cไม่เหมาะสม

ประเภทของถังเก็บเคลือบแก้วและการรองรับการสั่งผลิตเฉพาะมีอะไรบ้าง?

ถังเก็บเคลือบแก้วที่มีให้เลือก ได้แก่ ถังแนวนอน ถังแนวตั้งชนิดเปิด และถังแนวตั้งชนิดปิด โดยมีหลายขนาดให้เลือก นอกจากนี้ยังสามารถออกแบบและผลิตอุปกรณ์แบบสั่งผลิตเฉพาะ เพื่อให้ตรงตามความต้องการของโครงการได้

วัสดุที่ใช้ในถังเก็บเคลือบแก้วแนวตั้งชนิดเปิดคืออะไร?

ถังเก็บเหล่านี้ทำจากเหล็กซึ่งบุด้วยกระจกภายใน เหล็กให้ความแข็งแรงและความมั่นคง ส่วนกระจกช่วยเพิ่มความต้านทานการกัดกร่อน ผิวกระจกเรียบ ทำให้คงความคงตัวทางเคมี ทนความร้อนได้ระดับหนึ่ง และทำความสะอาดง่าย

จะประเมินคุณภาพภายนอกและภายในของถังเก็บเคลือบแก้วแนวตั้งได้อย่างไร?

คุณภาพภายนอกประเมินโดยการตรวจสอบด้วยสายตาและใช้อุปกรณ์ทดสอบเพื่อตรวจหาข้อบกพร่องบนผิว คุณภาพภายในขึ้นอยู่กับปัจจัยการผลิต เช่น การขึ้นรูปที่ถูกต้อง การเชื่อม และการเคลือบผิว รวมถึงการควบคุมคุณภาพอย่างเข้มงวดในทุกขั้นตอนของการผลิต

ตัวเลือกสำหรับถังเก็บเคลือบแก้วแนวนอนมีอะไรบ้าง?

มีตัวเลือกหลายแบบให้เลือก ได้แก่ บางรุ่นมีฝาข้างขนาดใหญ่ พร้อมแจ็กเก็ตครึ่งท่อ และสามารถติดตั้งแพลตฟอร์ม ราวจับ และบันไดเพื่อความสะดวกในการเข้าถึง บางรุ่นมาพร้อมเครื่องระเหยแบบให้ความร้อน เหมาะสำหรับงานที่ต้องการควบคุมอุณหภูมิ

Jiangsu Gongtang Chemical Equipments Co., Ltd. Jiangsu Gongtang
ผู้ผลิตอุปกรณ์เคลือบแก้ว
เมนูลัด
  • เกี่ยวกับเรา
  • เยี่ยมชมโรงงาน
  • เอกสารรับรอง
  • งานแสดงสินค้า
  • บริการและการสนับสนุน
  • กรณีโครงการ
  • วิดีโอ
ผลิตภัณฑ์
  • เครื่องปฏิกรณ์เคลือบแก้ว
  • ถังเก็บเคลือบแก้ว
  • คอลัมน์เคลือบแก้ว
  • เครื่องแลกเปลี่ยนความร้อนเคลือบแก้ว
  • เครื่องอบแห้งทรงกรวยคู่เคลือบแก้ว
  • อุปกรณ์เสริม
  • ระบบกระบวนการแบบครบวงจร
ติดต่อเรา
chrisz.jsjjgt@outlook.com
+86-523-89110022
+86-15861003636