Jiangsu Gongtang Chemical Equipments Co., Ltd. Jiangsu Gongtang
  • 
  • หน้าแรก
  • เกี่ยวกับเรา+
    • ข้อมูลบริษัท
    • เยี่ยมชมโรงงาน
    • เอกสารรับรอง
    • งานแสดงสินค้า
  • ผลิตภัณฑ์+
  • บริการและการสนับสนุน
  • อุตสาหกรรม
  • กรณีศึกษา
  • ติดต่อเรา
  • วิดีโอ
  • หน้าแรก
  • ผลิตภัณฑ์
  • เครื่องปฏิกรณ์เคลือบแก้ว
  • เครื่องปฏิกรณ์เคลือบแก้วชนิดปิด
เครื่องปฏิกรณ์เคลือบแก้วชนิดปิด
เครื่องปฏิกรณ์เคลือบแก้วพร้อมขาตั้งสี่เสา

เครื่องปฏิกรณ์เคลือบแก้วชนิดปิด

เครื่องปฏิกรณ์ทนการกัดกร่อน พร้อมฝาที่เชื่อมติดกับตัวถังถาวร

เครื่องปฏิกรณ์เคลือบแก้วชนิดปิดมักใช้ในอุตสาหกรรมเคมี ปิโตรเคมี เภสัชกรรม สี อาหาร และสารกำจัดศัตรูพืช เนื่องจากอุตสาหกรรมเหล่านี้ต้องการความทนทานต่อการกัดกร่อนและความคงทน เครื่องปฏิกรณ์เหล่านี้สามารถรองรับกระบวนการที่มีความเข้มงวดได้ด้วยความต้านทานการกัดกร่อนสูง ความเสถียรสม่ำเสมอ และการทำงานที่เชื่อถือได้

  • ช่วงความจุ: 50 – 80,000 ลิตร

  • ความดันสูงสุด: สูงสุด 16 bar (ตั้งแต่ความดันบรรยากาศถึงความดันสูง)

  • ช่วงอุณหภูมิใช้งาน: –19 °C ถึง 200 °C

  • มาตรฐาน: CE/JIS/ASME/GB

ขอใบเสนอราคา
เครื่องปฏิกรณ์เคลือบแก้วชนิดปิด
เครื่องปฏิกรณ์เคลือบแก้วชนิดปิดขนาดใหญ่ 30,000 ลิตร พร้อมแท่นสี่เสาและฝาแมนโฮลแบบเปิดเร็ว
เครื่องปฏิกรณ์เคลือบแก้วชนิดปิด
เครื่องปฏิกรณ์เคลือบแก้วชนิดปิด 3,000 ลิตร พร้อมฝาแบบเปิดเร็ว
เครื่องปฏิกรณ์เคลือบแก้วชนิดปิด
เครื่องปฏิกรณ์เคลือบแก้วขนาด 20,000 ลิตร สำหรับส่งออกไปไทย
เครื่องปฏิกรณ์เคลือบแก้วชนิดปิด
เครื่องปฏิกรณ์เคลือบแก้วแบบผลิตเฉพาะ พร้อมฝาแมนโฮลคู่
เครื่องปฏิกรณ์เคลือบแก้วชนิดปิด
เครื่องปฏิกรณ์เคลือบแก้ว พร้อมแท่นสี่เสาและมอเตอร์เกียร์แนวนอน
เครื่องปฏิกรณ์เคลือบแก้วชนิดปิด
เครื่องปฏิกรณ์เคลือบแก้ว พร้อมแท่นสี่เสา ฝาแมนโฮลแบบเปิดเร็ว และหน้าแปลนเสริมความแข็งแรง
เครื่องปฏิกรณ์เคลือบแก้วชนิดปิด
เครื่องปฏิกรณ์เคลือบแก้วขนาด 12,500 ลิตร พร้อมเกียร์ลดความเร็วแนวนอนและแท่นสี่เสา
เครื่องปฏิกรณ์เคลือบแก้วชนิดปิด
เครื่องปฏิกรณ์เคลือบแก้วขนาด 10,000 ลิตร พร้อมเกียร์ลดความเร็วแนวตั้ง

เครื่องปฏิกรณ์เคลือบแก้วชนิดนี้มาพร้อมแจ็กเก็ตสำหรับทำความร้อนหรือความเย็น และติดตั้งใบกวน ทำให้สามารถผสมได้อย่างมีประสิทธิภาพและควบคุมกระบวนการต่าง ๆ ได้อย่างเสถียร หน้าแปลนคอเชื่อมถูกติดตั้งบนฝาเพื่อให้การเชื่อมต่อมั่นคง ขณะเดียวกันเคลือบอีนาเมลคุณภาพสูงที่นำเข้ามา ช่วยให้เครื่องมีความทนทานและอายุการใช้งานยาวนาน

ความดันออกแบบภายในสามารถทนได้สูงสุด 1.0 MPa โดยมีตัวเลือกความจุตั้งแต่ 3,000 ลิตร ถึง 50,000 ลิตร แจ็กเก็ตออกแบบให้รับความดันสูงสุด 0.6 MPa และทั้งตัวถังและแจ็กเก็ตสามารถทำงานได้อย่างปลอดภัยในช่วงอุณหภูมิ –20 °C ถึง 200 °C

พารามิเตอร์ทางเทคนิค
ความดัน ตัวถังภายใน ซีลแบบแพ็คกิง 0.2MPa
ซีลแบบแมคคานิคัล 0.4MPa/1.0MPa
แจ็กเก็ต 0.6MPa
อุณหภูมิ ตัวถังภายใน -20℃~+200℃
แจ็กเก็ต -20℃~+200℃
ความเร็วรอบใบกวน แบบแองเคอร์/เฟรม 63r/min
แบบพาย 110r/min~130r/min
แบบอิมเพลอร์ 110r/min~130r/min
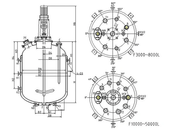
ภาพวาดมิติ
ภาพวาดมิติ
ขนาดของเครื่องปฏิกรณ์เคลือบแก้วชนิดปิด (mm)
ปริมาตร (L)  3000 5000 6300 8000 10000 12500 16000 20000 25000 30000 50000
ชิ้นส่วน
DN 1600 1600 1750 1750 2000 2200 2400 2400 2400 2600 2800 3200 3400
D0 1120 1220 1220 1220 1400 1540 1680 900 900 975 1050 1200 1500
D1 1750 1750 1900 1900 2200 2400 2600 2550 2550 2750 2950 3350 3600
D2 2029 2029 2200 2200 2502 3744 2940 2812 2812 3060 3335 3866 4378
D3 30 30 30 30 36 36 36 36 36 36 36 36 36
D4 φ95 φ95 φ95 φ95 φ110 φ110 φ110 φ110 φ125 φ140 φ160 φ160 φ180
D5 65×6 65×6 80×6 80×6 95×8 95×8 95×8 95×8 98×8 95×8 110×l2 110×12 125×12
D6 600 600 600 600 800 800 800 800 800 900 1100 1300 2000
D7 450 450 450 450 510 510 510 560 560 650 650 810 940
D8 1300 1300 1400 1400 1505 1645 1785 1785 1785 1925 2065 2345 |
H 2250 3275 2888 3244 3310 3513 3160 3495 3830 4640 5060 4900 6765
H1 1060 1160 1200 1200 1200 1300 1500 1300 1300 1400 1500 1750 2200
H2 / / 800 900 900 950 640 375 600 650 750 600 1700
H3 700 780 750 750 800 1300 1010 900 900 1000 1050 1150 1250
H4 1550 1710 1500 1700 1700 1850 1610 2000 2350 2500 2650 2650 2950
H5 200 200 200 200 355 340 315 315 315 330 250 240 /
H6 1454 1535 1535 1682 1702 1822 1822 1822 1822 2594 2594 2734 3260
B1 540 540 540 540 540 540 540 550 550 550 550 550 550
B2 370 370 370 370 370 370 370 470 470 470 470 470 470
กำลังไฟฟ้า (kW) 5.5 7.5 7.5 11 11 18.5 18.5 18.5 22 22 22 30 45
ขนาดของช่องต่อ (mm)
ปริมาตร (L) 3000 5000 6300 8000 10000 12500 16000 20000 25000 30000 50000
ชิ้นส่วน
DN 1600 1600 1750 1750 2000 2200 2400 2400 2400 2600 2800 3200 3400
a 150 150 150 150 200 200 200 200 200 250 250 250 250
b 100 100 125 125 150 150 150 150 150 200 200 / /
c 125 125 150 150 150 150 150 150 150 150 150 150 150
d 100 100 125 125 150 150 125 250 250 250 250 250 250
e 125 125 150 150 150 125 125 150 150 150 150 150 150
f 125 125 125 125 125 150 150 150 150 150 150 150 200
h / / / / / 150 150 150 150 200 200 200 /
M 300× 400 300× 400 300× 400 300× 400 300× 400 300× 400 300× 400 300× 400 300× 400 300× 400 300× 400 300× 400 300× 400
S 125 125 125 125 125 125 125 150 150 150 150 150 150
T1 100 100 125 125 200 200 200 200 200 200 200 200 250
T2 / / / / 150 150 150 150 150 200 200 200 200
N1-3 65 65 65 65 65 65 65 80 100 100 100 100 100
K1-3 65 65 65 65 65 65 65 65 65 65 65 80 80

เรายังมีอุปกรณ์เสริมสำหรับอุปกรณ์เคลือบแก้ว

ต้องการการสนับสนุนด้านเทคนิคสำหรับอุปกรณ์เคลือบแก้วหรือไม่

วิศวกรของเราพร้อมให้คำแนะนำเชิงผู้เชี่ยวชาญเกี่ยวกับเครื่องปฏิกรณ์เคลือบแก้ว ถังเคลือบแก้ว และอุปกรณ์กระบวนการที่ปรับแต่งได้สำหรับงานด้านเคมี เภสัชกรรม และอุตสาหกรรมทั่วไป

  • ผลิตภัณฑ์เกี่ยวข้อง
  • สินค้าอื่น
เครื่องปฏิกรณ์เคลือบแก้วชนิดเปิด
เครื่องปฏิกรณ์เคลือบแก้วชนิดเปิด
เครื่องปฏิกรณ์เคลือบแก้วชนิดปิด
เครื่องปฏิกรณ์เคลือบแก้วชนิดปิด
เครื่องปฏิกรณ์เคลือบแก้วครึ่งท่อพร้อมปลอกหุ้ม
เครื่องปฏิกรณ์เคลือบแก้วครึ่งท่อพร้อมปลอกหุ้ม
ถังเก็บเคลือบแก้ว
ถังเก็บเคลือบแก้ว
คอลัมน์เคลือบแก้ว
คอลัมน์เคลือบแก้ว
เครื่องแลกเปลี่ยนความร้อนเคลือบแก้ว
เครื่องแลกเปลี่ยนความร้อนเคลือบแก้ว
ดูเพิ่มเติม

ส่วนประกอบหลักของเครื่องปฏิกรณ์เคลือบแก้วชนิดเปิดมีอะไรบ้าง และทำงานอย่างไร?

เครื่องปฏิกรณ์เคลือบแก้วชนิดเปิดประกอบด้วย ตัวถัง ฝาครอบแบบถอดได้ ปะเก็นซีล และแคลมป์ ปะเก็นซีลใช้เพื่อปิดผนึกระหว่างตัวถังและฝาครอบ ส่วนแคลมป์ทำหน้าที่ล็อกให้แน่น เพื่อให้เครื่องปฏิกรณ์ปิดสนิทและปลอดภัยระหว่างใช้งาน

ความดันออกแบบของเครื่องปฏิกรณ์เปลี่ยนไปอย่างไรตามวิธีซีลที่ใช้?

แรงดันออกแบบภายในของเครื่องปฏิกรณ์ขึ้นอยู่กับชนิดของซีลที่ใช้ หากเป็นแพ็กกิ้งซีล ตัวถังจะรองรับแรงดันได้ 0.2 MPa แต่หากใช้ แมคคานิคัลซีลแรงดันออกแบบสามารถเพิ่มเป็น 0.4 MPa หรือสูงสุด 1.0 MPa ขึ้นอยู่กับการออกแบบของระบบซีล

โครงสร้างพิเศษอะไรบ้างที่ถูกออกแบบมาในเครื่องปฏิกรณ์เคลือบแก้วชนิดปิด เพื่อให้ใช้งานและบำรุงรักษาง่ายขึ้น?

เครื่องปฏิกรณ์เคลือบแก้วบางรุ่นติดตั้ง ฝาแมนโฮลแบบเปิดเร็วและแมนโฮลคู่ เพื่อให้สามารถตรวจสอบและบำรุงรักษาได้สะดวกขึ้น ฝาปิดถูกออกแบบด้วย หน้าแปลนแบบบัตต์เชื่อมเพื่อให้จุดเชื่อมแข็งแรง และรองรับการติดตั้งอุปกรณ์เสริมต่าง ๆ ได้ง่ายขึ้น ทั้งแข็งแรงและใช้งานสะดวก

แจ็กเก็ตแบบใดให้ประสิทธิภาพการแลกเปลี่ยนความร้อนดีกว่า ระหว่างแจ็กเก็ตทั่วไปกับแจ็กเก็ตแบบครึ่งท่อ?

เมื่อใช้งานร่วมกับตัวกลางให้ความร้อนหรือตัวกลางทำความเย็นแบบของเหลว แจ็กเก็ตแบบครึ่งท่อจะให้ประสิทธิภาพการแลกเปลี่ยนความร้อนที่ดีกว่า แม้ว่าพื้นที่แลกเปลี่ยนความร้อนที่เกิดผลจริงจะน้อยกว่าแจ็กเก็ตทั่วไปประมาณหนึ่งในสาม แต่อัตราการไหลของตัวกลางจะสูงกว่า 2–3 เท่า การไหลที่เร็วขึ้นนี้ช่วยลดปัญหาที่พบได้ในแจ็กเก็ตทั่วไป เช่น การถ่ายเทความร้อนไม่สม่ำเสมอหรือการสะสมตัวของตะกอนภายในแจ็กเก็ต ส่งผลให้ความร้อนถูกกระจายอย่างสม่ำเสมอมากขึ้น ทำให้กระบวนการมีประสิทธิภาพสูงขึ้นและทำงานได้เสถียรมากกว่า

เมื่อเครื่องปฏิกรณ์ทำงานร่วมกับน้ำหล่อเย็น ควรใช้แจ็กเก็ตแบบใดเพื่อลดปัญหาการกัดกร่อน?

ควรใช้ เนื่องจากน้ำหล่อเย็นมักมีไอออน เช่น H⁺ และ Cl⁻ ซึ่งสามารถเร่งการกัดกร่อนได้ ในแจ็กเก็ตทั่วไป ตะกอนมีแนวโน้มสะสมและยิ่งทำให้การกัดกร่อนรุนแรงขึ้น แต่ด้วยอัตราการไหลที่มากกว่าในแจ็กเก็ตครึ่งท่อ การสะสมของตะกอนจะลดลง จึงช่วยลดความเสี่ยงของการกัดกร่อนที่ผนังแจ็กเก็ตได้อย่างมีประสิทธิภาพแจ็กเก็ตแบบครึ่งท่อ

เครื่องปฏิกรณ์เคลือบแก้วแบบครึ่งท่อมีการรับรองคุณภาพสำหรับการส่งออกไปยุโรปหรือไม่?

มีค่ะ เครื่องปฏิกรณ์เคลือบแก้วแบบครึ่งท่อได้รับการรับรอง สำหรับสหภาพยุโรป รวมถึงเป็นไปตามมาตรฐานญี่ปุ่น มาตรฐานสหรัฐอเมริกา และมาตรฐานจีน ด้วยการรับรองเหล่านี้ จึงสอดคล้องกับข้อกำหนดด้านคุณภาพและความปลอดภัยสำหรับการส่งออกไปยังตลาดยุโรปอย่างครบถ้วน JB

Jiangsu Gongtang Chemical Equipments Co., Ltd. Jiangsu Gongtang
ผู้ผลิตอุปกรณ์เคลือบแก้ว
เมนูลัด
  • เกี่ยวกับเรา
  • เยี่ยมชมโรงงาน
  • เอกสารรับรอง
  • งานแสดงสินค้า
  • บริการและการสนับสนุน
  • กรณีโครงการ
  • วิดีโอ
ผลิตภัณฑ์
  • เครื่องปฏิกรณ์เคลือบแก้ว
  • ถังเก็บเคลือบแก้ว
  • คอลัมน์เคลือบแก้ว
  • เครื่องแลกเปลี่ยนความร้อนเคลือบแก้ว
  • เครื่องอบแห้งทรงกรวยคู่เคลือบแก้ว
  • อุปกรณ์เสริม
  • ระบบกระบวนการแบบครบวงจร
ติดต่อเรา
chrisz.jsjjgt@outlook.com
+86-523-89110022
+86-15861003636