Jiangsu Gongtang Chemical Equipments Co., Ltd. Jiangsu Gongtang
  • 
  • หน้าแรก
  • เกี่ยวกับเรา+
    • ข้อมูลบริษัท
    • เยี่ยมชมโรงงาน
    • เอกสารรับรอง
    • งานแสดงสินค้า
  • ผลิตภัณฑ์+
  • บริการและการสนับสนุน
  • อุตสาหกรรม
  • กรณีศึกษา
  • ติดต่อเรา
  • วิดีโอ
  • หน้าแรก
  • ผลิตภัณฑ์
  • เครื่องปฏิกรณ์เคลือบแก้ว
  • เครื่องปฏิกรณ์เคลือบแก้วชนิดเปิด
เครื่องปฏิกรณ์เคลือบแก้วชนิดเปิด
เครื่องปฏิกรณ์เคลือบแก้วพร้อมถังบาลานซ์และดีไซน์แท่งปลดเร็ว

เครื่องปฏิกรณ์เคลือบแก้วชนิดเปิด

ภาชนะปฏิกิริยาทนการกัดกร่อน พร้อมฝาบนที่ถอดได้

เครื่องปฏิกรณ์เคลือบแก้วผลิตโดยการพ่นผงแก้วซิลิกาสูงลงบนผิวด้านในของภาชนะเหล็ก แล้วผ่านการเผาที่อุณหภูมิสูง ทำให้แก้วยึดติดกับเหล็กแน่นและเป็นวัสดุทนทาน

  • ช่วงความจุ: 50 – 80,000 ลิตร
  • ความดันสูงสุด: สูงสุด 16 บาร์ (จากแรงดันบรรยากาศถึงแรงดันสูง)
  • ช่วงอุณหภูมิในการทำงาน: –19 °C ถึง 200 °C
  • มาตรฐาน: CE/JIS/ASME/GB
ขอใบเสนอราคา
เครื่องปฏิกรณ์เคลือบแก้วชนิดเปิด
เครื่องปฏิกรณ์เคลือบแก้วชนิดเปิด 6,300 ลิตร พร้อมฝาแมนโฮลเปิดเร็ว
เครื่องปฏิกรณ์เคลือบแก้วชนิดเปิด
เครื่องปฏิกรณ์เคลือบแก้วแบบกรอบรวม
เครื่องปฏิกรณ์เคลือบแก้วชนิดเปิด
เครื่องปฏิกรณ์เคลือบแก้วพร้อมระบบเชื่อมน้ำสั่งทำ
เครื่องปฏิกรณ์เคลือบแก้วชนิดเปิด
เครื่องปฏิกรณ์เคลือบแก้วโครงสร้างพิเศษพร้อมถังบาลานซ์
เครื่องปฏิกรณ์เคลือบแก้วชนิดเปิด
เครื่องปฏิกรณ์เคลือบแก้วพร้อมแผ่นกั้นคงที่
เครื่องปฏิกรณ์เคลือบแก้วชนิดเปิด
เครื่องปฏิกรณ์เคลือบแก้วชนิดเปิด 10,000 ลิตร

เครื่องปฏิกรณ์เคลือบแก้วชนิดเปิดถูกใช้อย่างกว้างขวางในอุตสาหกรรมเคมี ปิโตรเลียม เภสัชกรรม ยาฆ่าแมลง อาหาร และสีย้อม มีให้เลือกครบทุกขนาดมาตรฐาน และสามารถผลิตเฉพาะตามความต้องการของลูกค้าได้

ในแบบชนิดเปิด ฝาและตัวถังเป็นชิ้นส่วนแยกกัน การเชื่อมต่อระหว่างฝาและตัวถังจะปิดผนึกด้วยปะเก็นและยึดด้วยแคลมป์ เพื่อให้การปิดผนึกมั่นคงตลอดการทำงาน

เครื่องปฏิกรณ์ชนิดนี้รวมความคงตัวและความทนต่อการกัดกร่อนของแก้วเข้ากับความแข็งแรงของเหล็ก พื้นผิวภายในเรียบ ทำความสะอาดง่าย และทนต่อแรงกระแทก ความร้อน การสึกหรอ และการกัดกร่อนจากสารเคมี ด้วยคุณสมบัติเหล่านี้ เครื่องปฏิกรณ์ชนิดเปิดจึงเหมาะสำหรับกระบวนการต่าง ๆ เช่น การไฮโดรไลซิส การทำให้เป็นกลาง การตกผลึก การผสม และการทำทำสารกระจายตัวแบบอิมัลชัน

พารามิเตอร์ทางเทคนิค
แรงดัน ภายใน ซีลแบบแพ็คกิง 0.2MPa 
ซีลแบบแมคคานิคัล 0.4MPa/1.0MPa 
แจ็กเก็ต 0.6MPa/0.8Mpa/1.0MPa
อุณหภูมิ ภายใน -19℃~+200℃
แจ็กเก็ต -19℃~+200℃ 
ความเร็วกวน ความเร็วรอบใบกวน, แบบแองเคอร์/เฟรม 63r/min 
ความเร็วรอบใบกวน, แบบโอร่าร์ 110r/min~130r/min 
ความเร็วรอบใบกวน, แบบอิมเพลอร์ 110r/min~130r/min 
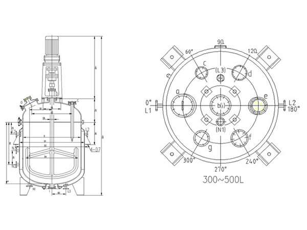
ภาพวาดมิติ
ภาพวาดมิติ
ภาพวาดมิติ
ขนาดของเครื่องปฏิกรณ์เคลือบแก้วชนิดเปิด (mm)
ปริมาตร (L)  300  500 1000 1500 2000 3000 5000 6300 8000 10000
ชิ้นส่วน
D  800 900 1200 1300 1300 1600 1600 1750 1750 2000 2000
D1 900 1000 1300 1450 1450 1750 1750 1900 1900 2200 2200
D2 1032 1148 1488 1639 1675 2044 2044 2218 2218 2500 2533
D3 560 630 840 910 910 1120 1120 1225 1225 1400 1400
D4 720 810 1080 1180 1180 1440 1440 1580 1580 1800 1800
D5 350 350 400 400 400 450 450 450 450 510 510
D6 65 65 80 80 80 95 95 95 95 110 110
D7 23 23 30 30 30 30 30 30 30 36 36
H 800 1000 1200 1400 1745 1739 2700 2317 3025 3120 3460
H0 2530 2759 3222 3440 3785 4073 5115 4792 5850 5450 6270
H1 1050 1050 1240 1240 1240 1454 1535 1535 1535 1650 1700
H2 380 409 482 500 500 580 580 640 640 720 710
H3 260 270 300 330 330 330 330 330 330 420 355
H4 / / / 960 1335 1242 2000 1490 1700 2000 2650
H5 / / / / / / 700 420 700 900 880
H6 390 420 500 600 600 700 700 700 815 850 850
B1 / / / 507 507 614 614 550 550 550 540
B2 250 270 350 350 370 370 370 370 370 400 450
กำลังไฟฟ้า (kW) 1.5  3 4 4 4 5.5 7.5 7.5 11 11 11
ขนาดของช่องต่อ (mm)
ปริมาตร (L) 300 500 1000 1500 2000 3000 5000 6300 8000 10000
ชิ้นส่วน
a 125 150 300×400 300×400 300×400 300×400 300×400 300×400 300×400 300×400 300×400
b 100 100 125 125 125 150 150 150 150 200 200
c 65 65 100 100 100 100 100 125 125 200 200
d 80 80 100 100 100 100 100 125 125 150 150
e 65 100 100 125 125 125 125 125 125 125 125
f 65 125 125 125 125 125 125 150 150 125 125
g 65 100 100 100 100 100 100 125 125 150 150
h / / 100 200 125 125 125 150 150 125 125
K / / / / / / / / / 150 150
i 80 80 100 100 100 125 125 125 125 125 150
L1-L3 25 32 32 40 40 50 50 65 65 65 65
N1, N2 / / / 50 50 50 65 65 65 65 65
N3 / / / / / / 65 65 65 65 65

เรายังมีอุปกรณ์เสริมสำหรับอุปกรณ์เคลือบแก้ว

ต้องการการสนับสนุนด้านเทคนิคสำหรับอุปกรณ์เคลือบแก้วหรือไม่

วิศวกรของเราพร้อมให้คำแนะนำเชิงผู้เชี่ยวชาญเกี่ยวกับเครื่องปฏิกรณ์เคลือบแก้ว ถังเคลือบแก้ว และอุปกรณ์กระบวนการที่ปรับแต่งได้สำหรับงานด้านเคมี เภสัชกรรม และอุตสาหกรรมทั่วไป

  • ผลิตภัณฑ์เกี่ยวข้อง
  • สินค้าอื่น
เครื่องปฏิกรณ์เคลือบแก้วชนิดเปิด
เครื่องปฏิกรณ์เคลือบแก้วชนิดเปิด
เครื่องปฏิกรณ์เคลือบแก้วชนิดปิด
เครื่องปฏิกรณ์เคลือบแก้วชนิดปิด
เครื่องปฏิกรณ์เคลือบแก้วครึ่งท่อพร้อมปลอกหุ้ม
เครื่องปฏิกรณ์เคลือบแก้วครึ่งท่อพร้อมปลอกหุ้ม
ถังเก็บเคลือบแก้ว
ถังเก็บเคลือบแก้ว
คอลัมน์เคลือบแก้ว
คอลัมน์เคลือบแก้ว
เครื่องแลกเปลี่ยนความร้อนเคลือบแก้ว
เครื่องแลกเปลี่ยนความร้อนเคลือบแก้ว
ดูเพิ่มเติม

ส่วนประกอบหลักของเครื่องปฏิกรณ์เคลือบแก้วชนิดเปิดมีอะไรบ้าง และทำงานอย่างไร?

เครื่องปฏิกรณ์เคลือบแก้วชนิดเปิดประกอบด้วย ตัวถัง ฝาครอบแบบถอดได้ ปะเก็นซีล และแคลมป์ ปะเก็นซีลใช้เพื่อปิดผนึกระหว่างตัวถังและฝาครอบ ส่วนแคลมป์ทำหน้าที่ล็อกให้แน่น เพื่อให้เครื่องปฏิกรณ์ปิดสนิทและปลอดภัยระหว่างใช้งาน

ความดันออกแบบของเครื่องปฏิกรณ์เปลี่ยนไปอย่างไรตามวิธีซีลที่ใช้?

แรงดันออกแบบภายในของเครื่องปฏิกรณ์ขึ้นอยู่กับชนิดของซีลที่ใช้ หากเป็นแพ็กกิ้งซีล ตัวถังจะรองรับแรงดันได้ 0.2 MPa แต่หากใช้ แมคคานิคัลซีลแรงดันออกแบบสามารถเพิ่มเป็น 0.4 MPa หรือสูงสุด 1.0 MPa ขึ้นอยู่กับการออกแบบของระบบซีล

โครงสร้างพิเศษอะไรบ้างที่ถูกออกแบบมาในเครื่องปฏิกรณ์เคลือบแก้วชนิดปิด เพื่อให้ใช้งานและบำรุงรักษาง่ายขึ้น?

เครื่องปฏิกรณ์เคลือบแก้วบางรุ่นติดตั้ง ฝาแมนโฮลแบบเปิดเร็วและแมนโฮลคู่ เพื่อให้สามารถตรวจสอบและบำรุงรักษาได้สะดวกขึ้น ฝาปิดถูกออกแบบด้วย หน้าแปลนแบบบัตต์เชื่อมเพื่อให้จุดเชื่อมแข็งแรง และรองรับการติดตั้งอุปกรณ์เสริมต่าง ๆ ได้ง่ายขึ้น ทั้งแข็งแรงและใช้งานสะดวก

แจ็กเก็ตแบบใดให้ประสิทธิภาพการแลกเปลี่ยนความร้อนดีกว่า ระหว่างแจ็กเก็ตทั่วไปกับแจ็กเก็ตแบบครึ่งท่อ?

เมื่อใช้งานร่วมกับตัวกลางให้ความร้อนหรือตัวกลางทำความเย็นแบบของเหลว แจ็กเก็ตแบบครึ่งท่อจะให้ประสิทธิภาพการแลกเปลี่ยนความร้อนที่ดีกว่า แม้ว่าพื้นที่แลกเปลี่ยนความร้อนที่เกิดผลจริงจะน้อยกว่าแจ็กเก็ตทั่วไปประมาณหนึ่งในสาม แต่อัตราการไหลของตัวกลางจะสูงกว่า 2–3 เท่า การไหลที่เร็วขึ้นนี้ช่วยลดปัญหาที่พบได้ในแจ็กเก็ตทั่วไป เช่น การถ่ายเทความร้อนไม่สม่ำเสมอหรือการสะสมตัวของตะกอนภายในแจ็กเก็ต ส่งผลให้ความร้อนถูกกระจายอย่างสม่ำเสมอมากขึ้น ทำให้กระบวนการมีประสิทธิภาพสูงขึ้นและทำงานได้เสถียรมากกว่า

เมื่อเครื่องปฏิกรณ์ทำงานร่วมกับน้ำหล่อเย็น ควรใช้แจ็กเก็ตแบบใดเพื่อลดปัญหาการกัดกร่อน?

ควรใช้ เนื่องจากน้ำหล่อเย็นมักมีไอออน เช่น H⁺ และ Cl⁻ ซึ่งสามารถเร่งการกัดกร่อนได้ ในแจ็กเก็ตทั่วไป ตะกอนมีแนวโน้มสะสมและยิ่งทำให้การกัดกร่อนรุนแรงขึ้น แต่ด้วยอัตราการไหลที่มากกว่าในแจ็กเก็ตครึ่งท่อ การสะสมของตะกอนจะลดลง จึงช่วยลดความเสี่ยงของการกัดกร่อนที่ผนังแจ็กเก็ตได้อย่างมีประสิทธิภาพแจ็กเก็ตแบบครึ่งท่อ

เครื่องปฏิกรณ์เคลือบแก้วแบบครึ่งท่อมีการรับรองคุณภาพสำหรับการส่งออกไปยุโรปหรือไม่?

มีค่ะ เครื่องปฏิกรณ์เคลือบแก้วแบบครึ่งท่อได้รับการรับรอง สำหรับสหภาพยุโรป รวมถึงเป็นไปตามมาตรฐานญี่ปุ่น มาตรฐานสหรัฐอเมริกา และมาตรฐานจีน ด้วยการรับรองเหล่านี้ จึงสอดคล้องกับข้อกำหนดด้านคุณภาพและความปลอดภัยสำหรับการส่งออกไปยังตลาดยุโรปอย่างครบถ้วน JB

Jiangsu Gongtang Chemical Equipments Co., Ltd. Jiangsu Gongtang
ผู้ผลิตอุปกรณ์เคลือบแก้ว
เมนูลัด
  • เกี่ยวกับเรา
  • เยี่ยมชมโรงงาน
  • เอกสารรับรอง
  • งานแสดงสินค้า
  • บริการและการสนับสนุน
  • กรณีโครงการ
  • วิดีโอ
ผลิตภัณฑ์
  • เครื่องปฏิกรณ์เคลือบแก้ว
  • ถังเก็บเคลือบแก้ว
  • คอลัมน์เคลือบแก้ว
  • เครื่องแลกเปลี่ยนความร้อนเคลือบแก้ว
  • เครื่องอบแห้งทรงกรวยคู่เคลือบแก้ว
  • อุปกรณ์เสริม
  • ระบบกระบวนการแบบครบวงจร
ติดต่อเรา
chrisz.jsjjgt@outlook.com
+86-523-89110022
+86-15861003636